
Celestion TFX0615 - Koaxialchassis
Der CELESTION TFX0615 ist ein 16,5-cm-Koaxiallautsprecher mit stabilem Blechkorb und einem 25-mm-Hochtöner mit Seidenkalotte und Neodymmagnet (nach KEF-Bauart). Er hat einen ordentlichen Wirkungsgrad von immerhin 94 dB. Damit passt er schon mal zu unseren Anforderungen, was den Wirkungsgrad angeht. Laut Interne soll es sich um ein sehr gut klingendes Chassi für kleines Geld handeln (ca. 75 € stand 12/2026). Für diesen Preis Koaxialchassis zubekommen, da konnte ich nicht nein sagen.
Hier mal ein paar Daten:
Frequenzbereich 100-6000 Hz (Tiefton)
1700-20000 Hz (Hochton)
Resonanzfrequenz (fs) 97 Hz
Empf. Trennfreq. (fmax.) (12 dB/Okt.) 2200 Hz
Kennschalldruck 94 dB (Tiefton) / 98 dB (Hochton)
Nachgiebigkeit (Cms) 0,21 mm/N
Bewegte Masse (Mms) 12,62 g
Mechanische Güte (Qms) 3,038
Elektrische Güte (Qes) 0,429
Gesamtgüte (Qts) 0,376
Äquivalentvolumen (Vas) 7,2 l
Gleichstromwiderst. (Re) 5,39 Ω
Kraftfaktor (BxL) 9,82 Tm
Schwingspulenind. (Le) 0,46 mH


Wie immer müssen sich die Chassis erstmal einspielen. Hier stehen sie auf der EV Sentry 3 mit einer einfachen 6-dB-Weiche beschaltet, um den Hochtöner nicht zu beschädigen.
Ich konnte es mir natürlich nicht entgehen lassen, schon mal zu hören, wie es denn klingen könnte. Der erste Eindruck ohne wirklich eine auch nur ansatzweise brauchbare Frequenzweiche zeigt tendenziell, dass hier schon Potenzial vorhanden zu sein scheint.
Mal sehen, wie es weitergeht!

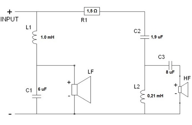
Das ist die wohl offizielle Frequenzweiche direkt von der Celestion Hompage.
Mal sehen, vielleicht ist das schon die Lösung !
Ich habe die Frequenzweiche mal "nachgebaut", der Klang hat mir gar nicht gefallen, irgendwie dünn, wenig authentisch und wenig lebendig. Da muss wohl doch wieder eine Eigenkonstruktion her.
Die Frequenzweiche wurde erstmal "zu Fuß" entwickelt, wie immer also. Es klang auch hier tendenziell eher hell, aber weitaus authentischer und vor allem lebendiger als mit der Originalweiche. Trotzdem gefiel mir das Ganze nicht so wirklich, also musste jetzt doch mal der Lautsprecher gemessen werden und die Frequenzweiche simuliert werden. Natürlich immer im Hinterkopf, dass man keinen "High End" Lautsprecher entwickelt, also einen toten Lautsprecher. Ich will ja wie immer so wenig wie mögliche Bauteile in der Weiche haben. Heraus kam eine Weiche mit 12 dB für den Tiefmitteltöner und 6 dB mit einem Vorwiderstand für den Hochtöner. Das reicht völlig aus, jedes weitere Bauteil nimmt dem Lautsprecher seine Lebendigkeit.

Hier die Frequenzweiche auf Linearität abgestimmt mit immer noch sehr schönem authentischen Klangbild.

Hier die Frequenzweiche auf mehr Lebendigkeit abgestimmt, bei zurückhaltenden Stimmen kommt hier einfach mehr an, ohne an Originalität einbüßen zu müssen.
Es fehlt natürlich der Bass, dafür muss ein Subwoofer her (in meinem Fall ein Dipol-Subwoofer). Ich werde den Lautsprecher nicht in ein Gehäuse einsperren ! Er wird, so wie sich das gehört, als Dipol Koax spielen.
Mitlerweile wurde doch eine 12-dB-Frequenzweiche vor die Seidenkalotte geschaltet, das nimmt minimal die Lebendigkeit, bringt aber mehr Ruhe, Stimmen werden auch klarer und sauberer. Auch wenn der Frequenzgang in der Simulation fürchterlich aussieht, klingt es jetzt richtig gut.

So, der erste Aufbau des Celestion TFX0615 als Dipol ist fertig, ich warte noch auf den Mundorf EVO Öl Kondensator für den Hochtöner und auf bessere MKP Kondensatoren für die Frequenzweiche des Tiefmitteltöners.


Ich habe auch noch mal eine 18 dB Frequenzweiche für den Celestion TFX0615/8 simuliert und aufgebaut. Der Frequenzgang sieht jetzt viel linearer aus als vorher, leider klingt es nicht wirklich besser, sondern wieder eher etwas scharf und vordergründig. Ich glaube, mehr kann man anscheinend klanglich aus dem Chassis nicht herausholen. Man muss natürlich bedenken, dass der Koax nur 75,- Euro kostet (Stand 01/2026).

Hier die 18dB Hochtonfrequenzweiche für den Celestion TFX0615/8.

Hier noch mal die 12 dB Hochtonfrequenzweiche für den Celestion TFX0615/8.

Mittlerweile ist auch der bessere Kondensator für den Tiefmitteltöner eingetroffen. Jetzt ist die Frequenzweiche für den Celestion TFX0615/8 so weit fertig.
Jetzt muss nur nochmal der Lautsprecher zusammen mit dem Dipol-Subwoofer im Raum (Küche) gemessen werden.

Der Lautsprecher ist mittlerweile in der Küche gelandet. Das ist der Frequenzgang auf Ohrhöhe, gemessen, mit Dipol-Subwoofer. Die Überhöhung bei 200 Hz kommt vom Küchenschrank, anscheinend gibt es da eine Resonanz, weil der Lautsprecher nicht sehr hoch ist. Diese Überhöhung nimmt man aber so nicht wahr. Insgesamt hört sich das Ganze sehr angenehm und stimmig an.